AV212 Проект дома с мансардой из бруса, планировка со вторым светом и кабинетом на 1 эт, с террасой.

Автор проекта: Aрхитекторы - партнеры
  • Общая площадь дома:218.4 м²
Стоимость проекта:
  • Архитектурно-строительные чертежи (АС)    42 000 ₽
  • Строительный паспорт проекта    5 000 ₽
  • Разбивочный план вашего участка    6 000 ₽
  • Дополнительная копия проекта    4 000 ₽
  • При покупке проекта дома можно выбрать три бесплатных опции (проекта), посмотреть проекты)    1 ₽
  • Доставка по России бесплатно, в страны СНГ    По дог.
Стоимость, дополнительные опции только для проектов Тарасова В.А.:
  • Электронная копия в формате PDF     5 000 ₽
  • Корректировка Паспорта проекта
    (в зависимости от пожеланий)   
    По дог.
  • Корректировка конструкций дома
    (в зависимости от пожеланий)   
    По дог.
  • Разработать установку скрытых алюминиевых роллет (опция, отдельный альбом)    1 ₽
Заказать проектПоложить в мои желания
Спасибо за обращение к нам, в ближайшее время мы вам ответим

Строить легче с проектом от  "АЛЬФАПЛАН" потому, что у нас подробные строительные чертежи.

Готовые проекты: 1. не предназначены для строительства в СЕЙСМИЧЕСКИ АКТИВНЫХ РАЙОНАХ, а фундаменты - в условиях ВЕЧНОЙ МЕРЗЛОТЫ, 2. проекты домов требуют Привязки к конкретному участку строительства (внизу страницы).

.

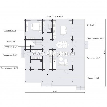
Общая площадь дома 218.4 м²

Проект дома с мансардой из бруса, планировка со вторым светом и кабинетом на 1 эт, с террасой. - технические характеристики

Тип фундамента монолитная ж/б плита| винтовые сваи
Тип наружных стен брус
Тип внутренних несущих стен брус
Тип перекрытий по деревянным балкам
Тип кровли цементно-песчаная черепица
Наружная отделка стен тонировка, облицовочный камень
Наружная отделка цоколя облицовочный камень
Гараж Без гаража
Утеплитель минерльная вата
Материал окон из ПВХ профилей/Защитные роллеты ALUTECH (реклама: ООО "Алютех-М")

Описание проекта

Проект дома с мансардой из бруса, планировка со вторым светом и кабинетом на 1 эт, с террасой.

Сервис для заказчиков

  • Сервис
    для заказчиков

    Внесение изменений в проекты

    Подробнее
  • Корректировка
    конструкций

    Изменение фундамента, перекрытий, теплые полы

    Подробнее
  • Планировка
    участка

    Разбивочный план, благоустройство, озеленение

    Подробнее
  • Индивидуальное
    проектирование

    Разработка проекта по заданию Закачика

    Подробнее
  • Индивидуальный
    фасад

    Корректировка фасада по желаниям заказчика

    Подробнее

Комментарии 0

Об этом проекте ещё никто не писал.
Задай вопрос или поделись своим мнением!
Нам не всё равно

Добавить комментарий
Добавление комментария